Charging pole
Application Overview
Application Overview
Plug in hybrid/electric vehicles include a high-voltage battery subsystem that can be charged using a built-in on-board charger (OBC) or an external charging station. Charging requires high voltage, high current, and high performance in high-temperature environments. Therefore, developing charging piles with high energy efficiency, high performance, and rich protection functions is crucial for achieving fast charging and improving battery life.
Marching Power has launched a super junction MOSFET and a cost-effective IGBT solution for DC charging stations in electric vehicles.
Charging pole
Application System Diagram
Application System Diagram
Charging pole
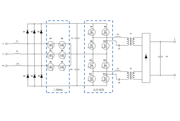
Application Topology Diagram
Application Topology Diagram
Charging pole
Recommended Products
Recommended Products
IGBT Discretes Product List
| Part Number | VCE(V) | Ic(A)@100℃ | Vcesat(V) @25℃ typ |
Eon(mJ) | Eoff(mJ) | Package | Datasheet |
|---|---|---|---|---|---|---|---|
| MPBQ75N120BF | 1200 | 75 | 1.9 | 4.6 | 4.4 | TO-247 plus | Download |
| MPBW40N120E | 1200 | 40 | 1.7 | 2.56 | 2.13 | TO-247 | Download |
| MPBW40N120BF | 1200 | 40 | 1.85 | 1.6 | 3.0 | TO-247 | Download |
| MPBW25N120BF | 1200 | 25 | 1.9 | 1.6 | 1.9 | TO-247 | Download |
| MPBW15N120BF | 1200 | 15 | 1.8 | 1.17 | 0.95 | TO-247 | Download |
| MPBW50N65E | 650 | 50 | 1.6 | 1.22 | 1.2 | TO-247 | Download |
SJ MOSFET Product List
| Part Number | VDSS(V) | ID(A)@25°C | V(GS)th (V) | RDS(on)(Ω) @VGS=10V 25°C max |
QG(nC) | CFD | Package | Datasheet |
|---|---|---|---|---|---|---|---|---|
| MPSW60M041 | 600 | 66 | 2.5-4.5 | 0.041 | 140 | - | TO-247 | Download |
| MPSW60M043CFD | 600 | 66 | 3-5 | 0.043 | 140 | Y | TO-247 | Download |
| MPSW60M086CFD | 600 | 41 | 3-5 | 0.086 | 72 | Y | TO-247 | Download |
| MPSW65M046CFD | 650 | 62 | 3-5 | 0.046 | 140 | Y | TO-247 | Download |
| MPSW65M092CFD | 650 | 41 | 3-5 | 0.092 | 72 | Y | TO-247 | Download |
Silicon-based chip and module series
Third generation semiconductor chip and module series